Подшипник RCJT1-1/4-206 (INA)

Подшипник RCJT1-1/4-206 (INA)

Технические характеристики

Обозначение : RCJT1-1/4-206

Производитель : INA

Диаметр внутренний, мм : 31.75

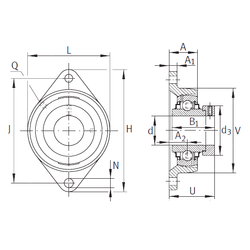
Технические данные из каталога производителя :

Внутренний диаметр (d) - 31.75 мм.

Размер (V) - 80,493

Размер (U) - 50,19

Резьба (Q) - 1/8 NPT

Размер (d3) - 51,003 мм.

Размер (A) - 32,512 мм.

Размер (A1) - 13,005 мм.

Размер (B) - 48,489 мм.

Размер (H) - 142,011 мм.

Размер (J) - 116,51 мм.

Размер (L) - 80,493

Размер (N) - 11,506 мм.

Размер (A2) - 19,99

Масса - 0,971 Кг

Количество дорожек качения - 1

Уплотнение - Есть

Цены указаны ознакомительные, для уточнения цены и наличия просим связаться с нами по телефону, или отправить заявку на почту - sales@specprompodshipnik.ru или по тел.: +7(499) 369-70-54

Возврат к списку