Подшипник RCJO90 (NKE)

Подшипник RCJO90 (NKE)

Технические характеристики

Обозначение : RCJO90

Производитель : NKE

Диаметр внутренний, мм : 90

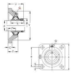
Технические данные из каталога производителя :

Внутренний диаметр (d) - 90 мм.

Размер (P) - 48,5

Размер (V) - 230

Размер (U) - 114

Размер (K) - 28

Размер (A) - 280 мм.

Размер (C) - 28,5 мм.

Размер (L) - 101

Размер (M) - 216 мм.

Размер (R) - 132 мм.

Размер (T) - 85

Резьба (G) - R1/8“

Масса - 21,6 Кг

Количество дорожек качения - 1

Уплотнение - Есть

Цены указаны ознакомительные, для уточнения цены и наличия просим связаться с нами по телефону, или отправить заявку на почту - sales@specprompodshipnik.ru или по тел.: +7(499) 369-70-54

Возврат к списку