Подшипник RCJO90 (INA)

Подшипник RCJO90 (INA)

Технические характеристики

Обозначение : RCJO90

Производитель : INA

Диаметр внутренний, мм : 90

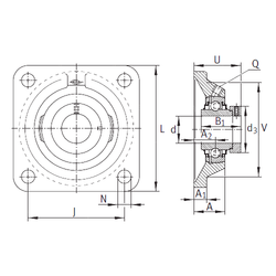
Технические данные из каталога производителя :

Внутренний диаметр (d) - 90 мм.

Размер (V) - 230

Размер (U) - 114

Резьба (Q) - Rp1/8

Размер (d3) - 132 мм.

Размер (A) - 85 мм.

Размер (A1) - 28,5 мм.

Размер (B1) - 101 мм.

Размер (J) - 216 мм.

Размер (L) - 280

Размер (N) - 28 мм.

Размер (A2) - 48,5

Масса - 21,6 Кг

Грузоподъемность динамическая (C) - 143 кН

Грузоподъемность статическая (C0) - 107 кН

Количество дорожек качения - 1

Уплотнение - Есть

Цены указаны ознакомительные, для уточнения цены и наличия просим связаться с нами по телефону, или отправить заявку на почту - sales@specprompodshipnik.ru или по тел.: +7(499) 369-70-54

Возврат к списку