Подшипник RCJO80 (NKE)

Подшипник RCJO80 (NKE)

Технические характеристики

Обозначение : RCJO80

Производитель : NKE

Диаметр внутренний, мм : 80

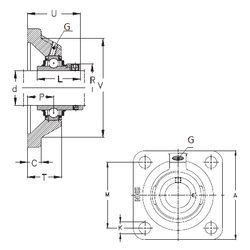
Технические данные из каталога производителя :

Внутренний диаметр (d) - 80 мм.

Размер (P) - 50

Размер (V) - 210

Размер (U) - 109,7

Размер (K) - 28

Размер (A) - 250 мм.

Размер (C) - 25 мм.

Размер (L) - 93,7

Размер (M) - 196 мм.

Размер (R) - 118 мм.

Размер (T) - 80

Резьба (G) - R1/8“

Масса - 17,15 Кг

Количество дорожек качения - 1

Уплотнение - Есть

Цены указаны ознакомительные, для уточнения цены и наличия просим связаться с нами по телефону, или отправить заявку на почту - sales@specprompodshipnik.ru или по тел.: +7(499) 369-70-54

Возврат к списку