Подшипник RCJO80 (INA)

Подшипник RCJO80 (INA)

Технические характеристики

Обозначение : RCJO80

Производитель : INA

Диаметр внутренний, мм : 80

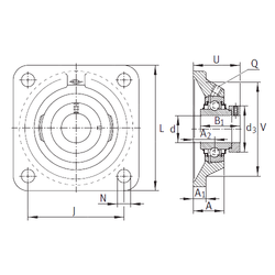
Технические данные из каталога производителя :

Внутренний диаметр (d) - 80 мм.

Размер (V) - 210

Размер (U) - 109,7

Резьба (Q) - Rp1/8

Размер (d3) - 118 мм.

Размер (A) - 80 мм.

Размер (A1) - 25 мм.

Размер (B1) - 93,6 мм.

Размер (J) - 196 мм.

Размер (L) - 250

Размер (N) - 28 мм.

Размер (A2) - 50

Масса - 17,15 Кг

Грузоподъемность динамическая (C) - 123 кН

Грузоподъемность статическая (C0) - 87 кН

Количество дорожек качения - 1

Уплотнение - Есть

Цены указаны ознакомительные, для уточнения цены и наличия просим связаться с нами по телефону, или отправить заявку на почту - sales@specprompodshipnik.ru или по тел.: +7(499) 369-70-54

Возврат к списку