Подшипник RCJO70 (NKE)

Подшипник RCJO70 (NKE)

Технические характеристики

Обозначение : RCJO70

Производитель : NKE

Диаметр внутренний, мм : 70

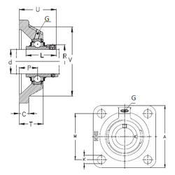
Технические данные из каталога производителя :

Внутренний диаметр (d) - 70 мм.

Размер (P) - 36

Размер (V) - 196

Размер (U) - 85,4

Размер (K) - 25

Размер (A) - 226 мм.

Размер (C) - 25 мм.

Размер (L) - 75,4

Размер (M) - 178 мм.

Размер (R) - 102 мм.

Размер (T) - 54,5

Резьба (G) - R1/8“

Масса - 10 Кг

Количество дорожек качения - 1

Уплотнение - Есть

Цены указаны ознакомительные, для уточнения цены и наличия просим связаться с нами по телефону, или отправить заявку на почту - sales@specprompodshipnik.ru или по тел.: +7(499) 369-70-54

Возврат к списку