Подшипник RCJO50 (INA)

Подшипник RCJO50 (INA)

Технические характеристики

Обозначение : RCJO50

Производитель : INA

Диаметр внутренний, мм : 50

Технические данные из каталога производителя :

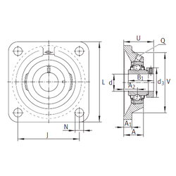
Внутренний диаметр (d) - 50 мм.

Размер (V) - 144

Размер (U) - 70,1

Резьба (Q) - Rp1/8

Размер (d3) - 75,8 мм.

Размер (A) - 42,5 мм.

Размер (A1) - 19 мм.

Размер (B1) - 66,8 мм.

Размер (J) - 132 мм.

Размер (L) - 175

Размер (N) - 23 мм.

Размер (A2) - 28

Масса - 4,9 Кг

Грузоподъемность динамическая (C) - 62 кН

Грузоподъемность статическая (C0) - 38 кН

Количество дорожек качения - 1

Уплотнение - Есть

Цены указаны ознакомительные, для уточнения цены и наличия просим связаться с нами по телефону, или отправить заявку на почту - sales@specprompodshipnik.ru или по тел.: +7(499) 369-70-54

Возврат к списку