Подшипник RCJO40 (NKE)

Подшипник RCJO40 (NKE)

Технические характеристики

Обозначение : RCJO40

Производитель : NKE

Диаметр внутренний, мм : 40

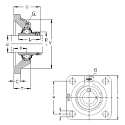
Технические данные из каталога производителя :

Внутренний диаметр (d) - 40 мм.

Размер (P) - 23

Размер (V) - 121

Размер (U) - 59,6

Размер (K) - 19

Размер (A) - 150 мм.

Размер (C) - 17 мм.

Размер (L) - 54,6

Размер (M) - 112 мм.

Размер (R) - 63 мм.

Размер (T) - 34,5

Резьба (G) - R1/8“

Масса - 3,1 Кг

Количество дорожек качения - 1

Уплотнение - Есть

Цены указаны ознакомительные, для уточнения цены и наличия просим связаться с нами по телефону, или отправить заявку на почту - sales@specprompodshipnik.ru или по тел.: +7(499) 369-70-54

Возврат к списку