Подшипник RCJO35 (NKE)

Подшипник RCJO35 (NKE)

Технические характеристики

Обозначение : RCJO35

Производитель : NKE

Диаметр внутренний, мм : 35

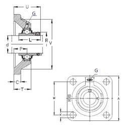
Технические данные из каталога производителя :

Внутренний диаметр (d) - 35 мм.

Размер (P) - 20

Размер (V) - 104

Размер (U) - 53,4

Размер (K) - 19

Размер (A) - 135 мм.

Размер (C) - 16 мм.

Размер (L) - 51,6

Размер (M) - 100 мм.

Размер (R) - 55 мм.

Размер (T) - 31

Резьба (G) - R1/8“

Масса - 2,55 Кг

Количество дорожек качения - 1

Уплотнение - Есть

Цены указаны ознакомительные, для уточнения цены и наличия просим связаться с нами по телефону, или отправить заявку на почту - sales@specprompodshipnik.ru или по тел.: +7(499) 369-70-54

Возврат к списку