Подшипник RCJO30 (NKE)

Подшипник RCJO30 (NKE)

Технические характеристики

Обозначение : RCJO30

Производитель : NKE

Диаметр внутренний, мм : 30

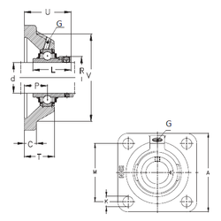
Технические данные из каталога производителя :

Внутренний диаметр (d) - 30 мм.

Размер (P) - 20,6

Размер (V) - 98

Размер (U) - 53,1

Размер (K) - 14,5

Размер (A) - 125 мм.

Размер (C) - 15 мм.

Размер (L) - 50

Размер (M) - 95 мм.

Размер (R) - 51 мм.

Размер (T) - 30,6

Резьба (G) - R1/8“

Масса - 1,75 Кг

Количество дорожек качения - 1

Уплотнение - Есть

Цены указаны ознакомительные, для уточнения цены и наличия просим связаться с нами по телефону, или отправить заявку на почту - sales@specprompodshipnik.ru или по тел.: +7(499) 369-70-54

Возврат к списку