Подшипник RCJL70 (INA)

Подшипник RCJL70 (INA)

Технические характеристики

Обозначение : RCJL70

Производитель : INA

Диаметр внутренний, мм : 70

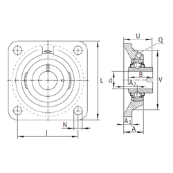
Технические данные из каталога производителя :

Внутренний диаметр (d) - 70 мм.

Размер (V) - 165

Размер (U) - 79,2

Резьба (Q) - Rp1/8

Размер (A) - 52 мм.

Размер (A1) - 18 мм.

Размер (B) - 68,2 мм.

Размер (J) - 150 мм.

Размер (L) - 188

Размер (N) - 18 мм.

Размер (A2) - 38

Масса - 5,65 Кг

Грузоподъемность динамическая (C) - 62 кН

Грузоподъемность статическая (C0) - 44 кН

Количество дорожек качения - 1

Уплотнение - Есть

Цены указаны ознакомительные, для уточнения цены и наличия просим связаться с нами по телефону, или отправить заявку на почту - sales@specprompodshipnik.ru или по тел.: +7(499) 369-70-54

Возврат к списку