Подшипник RCJL60-N (INA)

Подшипник RCJL60-N (INA)

Технические характеристики

Обозначение : RCJL60-N

Производитель : INA

Диаметр внутренний, мм : 60

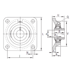
Технические данные из каталога производителя :

Внутренний диаметр (d) - 60 мм.

Размер (V) - 150

Размер (U) - 71,3

Резьба (Q) - Rp1/8

Размер (A) - 46 мм.

Размер (A1) - 16 мм.

Размер (B) - 61,9 мм.

Размер (J) - 143 мм.

Размер (L) - 175

Размер (N) - 18 мм.

Размер (A2) - 34

Масса - 4,22 Кг

Грузоподъемность динамическая (C) - 52 кН

Грузоподъемность статическая (C0) - 36 кН

Количество дорожек качения - 1

Уплотнение - Есть

Цены указаны ознакомительные, для уточнения цены и наличия просим связаться с нами по телефону, или отправить заявку на почту - sales@specprompodshipnik.ru или по тел.: +7(499) 369-70-54

Возврат к списку