Подшипник RCJ60-N (NKE)

Подшипник RCJ60-N (NKE)

Технические характеристики

Обозначение : RCJ60-N

Производитель : NKE

Диаметр внутренний, мм : 60

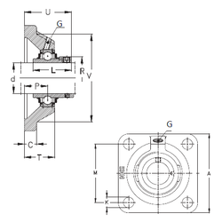
Технические данные из каталога производителя :

Внутренний диаметр (d) - 60 мм.

Размер (P) - 34

Размер (V) - 150

Размер (U) - 80,8

Размер (K) - 18

Размер (A) - 175 мм.

Размер (C) - 16 мм.

Размер (L) - 77,8

Размер (M) - 143 мм.

Размер (R) - 84 мм.

Размер (T) - 46

Резьба (G) - R1/8“

Масса - 4,54 Кг

Количество дорожек качения - 1

Уплотнение - Есть

Цены указаны ознакомительные, для уточнения цены и наличия просим связаться с нами по телефону, или отправить заявку на почту - sales@specprompodshipnik.ru или по тел.: +7(499) 369-70-54

Возврат к списку