Подшипник RCJ5/8 (INA)

Подшипник RCJ5/8 (INA)

Технические характеристики

Обозначение : RCJ5/8

Производитель : INA

Диаметр внутренний, мм : 15,875

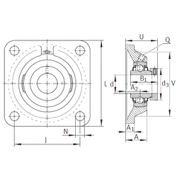
Технические данные из каталога производителя :

Внутренний диаметр (d) - 15,875 мм.

Размер (V) - 59,004

Размер (U) - 40,488

Резьба (Q) - 1/4-28 UNF

Размер (d3) - 27,991 мм.

Размер (A) - 24,003 мм.

Размер (A1) - 10,008 мм.

Размер (B) - 37,389 мм.

Размер (J) - 54 мм.

Размер (L) - 75,997

Размер (N) - 11,506 мм.

Размер (A2) - 16,993

Масса - 0,472 Кг

Количество дорожек качения - 1

Уплотнение - Есть

Цены указаны ознакомительные, для уточнения цены и наличия просим связаться с нами по телефону, или отправить заявку на почту - sales@specprompodshipnik.ru или по тел.: +7(499) 369-70-54

Возврат к списку