Подшипник RCJ2-7/16 (INA)

Подшипник RCJ2-7/16 (INA)

Технические характеристики

Обозначение : RCJ2-7/16

Производитель : INA

Диаметр внутренний, мм : 61,913

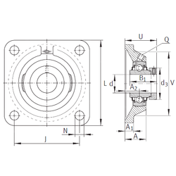
Технические данные из каталога производителя :

Внутренний диаметр (d) - 61,913 мм.

Размер (V) - 148,996

Размер (U) - 80,899

Резьба (Q) - 1/8 NPT

Размер (d3) - 83,998 мм.

Размер (A) - 48,997 мм.

Размер (A1) - 17,501 мм.

Размер (B) - 77,902 мм.

Размер (J) - 143,002 мм.

Размер (L) - 175,489

Размер (N) - 18,009 мм.

Размер (A2) - 34,011

Масса - 4,935 Кг

Количество дорожек качения - 1

Уплотнение - Есть

Цены указаны ознакомительные, для уточнения цены и наличия просим связаться с нами по телефону, или отправить заявку на почту - sales@specprompodshipnik.ru или по тел.: +7(499) 369-70-54

Возврат к списку