Подшипник RCJ17 (NKE)

Технические характеристики

Обозначение : RCJ17

Производитель : NKE

Диаметр внутренний, мм : 17

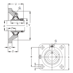
Технические данные из каталога производителя :

Внутренний диаметр (d) - 17 мм.

Размер (P) - 17

Размер (V) - 58

Размер (U) - 40,4

Размер (K) - 11,5

Размер (A) - 76 мм.

Размер (C) - 9,5 мм.

Размер (L) - 37,3

Размер (M) - 54 мм.

Размер (R) - 28 мм.

Размер (T) - 27

Резьба (G) - M6

Масса - 0,56 Кг

Количество дорожек качения - 1

Уплотнение - Есть

Цены указаны ознакомительные, для уточнения цены и наличия просим связаться с нами по телефону, или отправить заявку на почту - sales@specprompodshipnik.ru или по тел.: +7(499) 369-70-54

Возврат к списку