Подшипник RCJ120 (NKE)

Подшипник RCJ120 (NKE)

Технические характеристики

Обозначение : RCJ120

Производитель : NKE

Диаметр внутренний, мм : 120

Технические данные из каталога производителя :

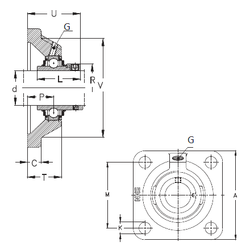
Внутренний диаметр (d) - 120 мм.

Размер (P) - 31

Размер (V) - 270

Размер (U) - 83

Размер (K) - 30

Размер (A) - 305 мм.

Размер (C) - 28 мм.

Размер (L) - 81

Размер (M) - 240 мм.

Размер (R) - 152 мм.

Размер (T) - 51

Резьба (G) - R1/8“

Масса - 18 Кг

Количество дорожек качения - 1

Уплотнение - Есть

Цены указаны ознакомительные, для уточнения цены и наличия просим связаться с нами по телефону, или отправить заявку на почту - sales@specprompodshipnik.ru или по тел.: +7(499) 369-70-54

Возврат к списку