Подшипник RCJ100 (NKE)

Подшипник RCJ100 (NKE)

Технические характеристики

Обозначение : RCJ100

Производитель : NKE

Диаметр внутренний, мм : 100

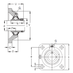
Технические данные из каталога производителя :

Внутренний диаметр (d) - 100 мм.

Размер (P) - 28

Размер (V) - 230

Размер (U) - 77,5

Размер (K) - 27

Размер (A) - 265 мм.

Размер (C) - 25 мм.

Размер (L) - 75

Размер (M) - 210 мм.

Размер (R) - 132 мм.

Размер (T) - 46

Резьба (G) - R1/8“

Масса - 12,25 Кг

Количество дорожек качения - 1

Уплотнение - Есть

Цены указаны ознакомительные, для уточнения цены и наличия просим связаться с нами по телефону, или отправить заявку на почту - sales@specprompodshipnik.ru или по тел.: +7(499) 369-70-54

Возврат к списку