Подшипник RCJ1-3/16 (INA)

Подшипник RCJ1-3/16 (INA)

Технические характеристики

Обозначение : RCJ1-3/16

Производитель : INA

Диаметр внутренний, мм : 30,163

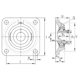
Технические данные из каталога производителя :

Внутренний диаметр (d) - 30,163 мм.

Размер (V) - 94,005

Размер (U) - 50,19

Резьба (Q) - 1/8 NPT

Размер (d3) - 43,993 мм.

Размер (A) - 32,004 мм.

Размер (A1) - 13,005 мм.

Размер (B) - 48,489 мм.

Размер (J) - 82,499 мм.

Размер (L) - 108,509

Размер (N) - 11,506 мм.

Размер (A2) - 19,99

Масса - 1,293 Кг

Количество дорожек качения - 1

Уплотнение - Есть

Цены указаны ознакомительные, для уточнения цены и наличия просим связаться с нами по телефону, или отправить заявку на почту - sales@specprompodshipnik.ru или по тел.: +7(499) 369-70-54

Возврат к списку