Подшипник RATY35 (NKE)

Подшипник RATY35 (NKE)

Технические характеристики

Обозначение : RATY35

Производитель : NKE

Диаметр внутренний, мм : 35

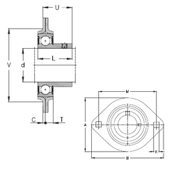
Технические данные из каталога производителя :

Внутренний диаметр (d) - 35 мм.

Размер (V) - 81

Размер (U) - 28

Размер (A) - 93,7 мм.

Размер (B) - 123 мм.

Размер (C) - 2,5 мм.

Размер (K) - 10,5 мм.

Размер (L) - 35

Размер (M) - 100 мм.

Размер (T) - 10,5

Масса - 0,56 Кг

Количество дорожек качения - 1

Уплотнение - Есть

Цены указаны ознакомительные, для уточнения цены и наличия просим связаться с нами по телефону, или отправить заявку на почту - sales@specprompodshipnik.ru или по тел.: +7(499) 369-70-54

Возврат к списку