Подшипник RATY30 (NKE)

Подшипник RATY30 (NKE)

Технические характеристики

Обозначение : RATY30

Производитель : NKE

Диаметр внутренний, мм : 30

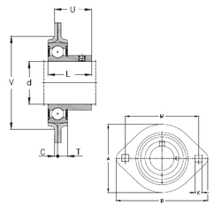
Технические данные из каталога производителя :

Внутренний диаметр (d) - 30 мм.

Размер (V) - 71

Размер (U) - 23,5

Размер (A) - 84 мм.

Размер (B) - 112,7 мм.

Размер (C) - 2,5 мм.

Размер (K) - 10,5 мм.

Размер (L) - 30

Размер (M) - 90,5 мм.

Размер (T) - 8,7

Масса - 0,41 Кг

Количество дорожек качения - 1

Уплотнение - Есть

Цены указаны ознакомительные, для уточнения цены и наличия просим связаться с нами по телефону, или отправить заявку на почту - sales@specprompodshipnik.ru или по тел.: +7(499) 369-70-54

Возврат к списку