Подшипник RATY20 (NKE)

Подшипник RATY20 (NKE)

Технические характеристики

Обозначение : RATY20

Производитель : NKE

Диаметр внутренний, мм : 20

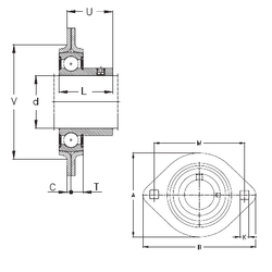
Технические данные из каталога производителя :

Внутренний диаметр (d) - 20 мм.

Размер (V) - 55

Размер (U) - 20

Размер (A) - 66 мм.

Размер (B) - 90,5 мм.

Размер (C) - 2 мм.

Размер (K) - 8,7 мм.

Размер (L) - 25

Размер (M) - 71,5 мм.

Размер (T) - 8

Масса - 0,22 Кг

Количество дорожек качения - 1

Уплотнение - Есть

Цены указаны ознакомительные, для уточнения цены и наличия просим связаться с нами по телефону, или отправить заявку на почту - sales@specprompodshipnik.ru или по тел.: +7(499) 369-70-54

Возврат к списку