Подшипник RATY15 (NKE)

Подшипник RATY15 (NKE)

Технические характеристики

Обозначение : RATY15

Производитель : NKE

Диаметр внутренний, мм : 15

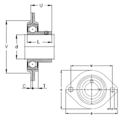
Технические данные из каталога производителя :

Внутренний диаметр (d) - 15 мм.

Размер (V) - 48

Размер (U) - 18

Размер (A) - 58,7 мм.

Размер (B) - 81 мм.

Размер (C) - 2 мм.

Размер (K) - 7,1 мм.

Размер (L) - 22

Размер (M) - 63,5 мм.

Размер (T) - 7

Масса - 0,13 Кг

Количество дорожек качения - 1

Уплотнение - Есть

Цены указаны ознакомительные, для уточнения цены и наличия просим связаться с нами по телефону, или отправить заявку на почту - sales@specprompodshipnik.ru или по тел.: +7(499) 369-70-54

Возврат к списку