Подшипник RAT25 (NKE)

Технические характеристики

Обозначение : RAT25

Производитель : NKE

Диаметр внутренний, мм : 25

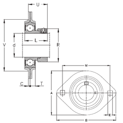
Технические данные из каталога производителя :

Внутренний диаметр (d) - 25 мм.

Размер (V) - 60

Размер (U) - 25,5

Размер (A) - 71 мм.

Размер (B) - 95,2 мм.

Размер (C) - 2 мм.

Размер (K) - 8,7 мм.

Размер (L) - 31

Размер (M) - 76 мм.

Размер (R) - 37,5 мм.

Размер (T) - 8,7

Масса - 0,34 Кг

Количество дорожек качения - 1

Уплотнение - Есть

Цены указаны ознакомительные, для уточнения цены и наличия просим связаться с нами по телефону, или отправить заявку на почту - sales@specprompodshipnik.ru или по тел.: +7(499) 369-70-54

Возврат к списку