Подшипник RAT12 (INA)

Технические характеристики

Обозначение : RAT12

Производитель : INA

Диаметр внутренний, мм : 12

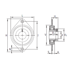
Технические данные из каталога производителя :

Внутренний диаметр (d) - 12 мм.

Размер (V) - 48

Размер (U) - 24

Размер (d3) - 28 мм.

Размер (A) - 7 мм.

Размер (B1) - 28,6 мм.

Размер (H) - 81 мм.

Размер (J) - 63,5 мм.

Размер (L) - 58,7

Размер (N) - 7,1 мм.

Размер (S) - 2 мм.

Масса - 0,19 Кг

Количество дорожек качения - 1

Уплотнение - Есть

Цены указаны ознакомительные, для уточнения цены и наличия просим связаться с нами по телефону, или отправить заявку на почту - sales@specprompodshipnik.ru или по тел.: +7(499) 369-70-54

Возврат к списку