Подшипник RASEY90 (NKE)

Подшипник RASEY90 (NKE)

Технические характеристики

Обозначение : RASEY90

Производитель : NKE

Диаметр внутренний, мм : 90

Высота, мм : 85

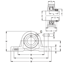
Технические данные из каталога производителя :

Внутренний диаметр (d) - 90 мм.

Размер (O) - 56,3

Размер (A) - 101,6 мм.

Размер (B) - 85 мм.

Размер (B1) - 55 мм.

Размер (C) - 35 мм.

Размер (H) - 200 мм.

Размер (K) - 27 мм.

Размер (L) - 96

Размер (M) - 260 мм.

Размер (M1) - 276 мм.

Размер (W) - 330

Резьба (G) - R1/8“

Масса - 12,6 Кг

Количество дорожек качения - 1

Уплотнение - Есть

Цены указаны ознакомительные, для уточнения цены и наличия просим связаться с нами по телефону, или отправить заявку на почту - sales@specprompodshipnik.ru или по тел.: +7(499) 369-70-54

Возврат к списку