Подшипник RASEY80 (NKE)

Подшипник RASEY80 (NKE)

Технические характеристики

Обозначение : RASEY80

Производитель : NKE

Диаметр внутренний, мм : 80

Высота, мм : 78

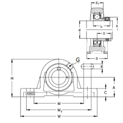
Технические данные из каталога производителя :

Внутренний диаметр (d) - 80 мм.

Размер (O) - 49,3

Размер (A) - 89 мм.

Размер (B) - 78 мм.

Размер (B1) - 55 мм.

Размер (C) - 30 мм.

Размер (H) - 175 мм.

Размер (K) - 26 мм.

Размер (L) - 82,6

Размер (M) - 224 мм.

Размер (M1) - 240 мм.

Размер (W) - 290

Резьба (G) - R1/8“

Масса - 8,63 Кг

Количество дорожек качения - 1

Уплотнение - Есть

Цены указаны ознакомительные, для уточнения цены и наличия просим связаться с нами по телефону, или отправить заявку на почту - sales@specprompodshipnik.ru или по тел.: +7(499) 369-70-54

Возврат к списку