Подшипник RASEY75 (NKE)

Подшипник RASEY75 (NKE)

Технические характеристики

Обозначение : RASEY75

Производитель : NKE

Диаметр внутренний, мм : 75

Высота, мм : 66

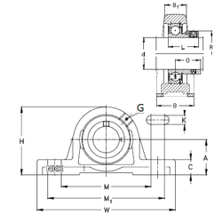
Технические данные из каталога производителя :

Внутренний диаметр (d) - 75 мм.

Размер (O) - 44,5

Размер (A) - 82,5 мм.

Размер (B) - 66 мм.

Размер (B1) - 48 мм.

Размер (C) - 27,5 мм.

Размер (H) - 164 мм.

Размер (K) - 22 мм.

Размер (L) - 77,8

Размер (M) - 202 мм.

Размер (M1) - 218 мм.

Размер (W) - 265

Резьба (G) - R1/8“

Масса - 7,19 Кг

Количество дорожек качения - 1

Уплотнение - Есть

Цены указаны ознакомительные, для уточнения цены и наличия просим связаться с нами по телефону, или отправить заявку на почту - sales@specprompodshipnik.ru или по тел.: +7(499) 369-70-54

Возврат к списку