Подшипник RASEY7/8 (INA)

Подшипник RASEY7/8 (INA)

Технические характеристики

Обозначение : RASEY7/8

Производитель : INA

Диаметр внутренний, мм : 22,225

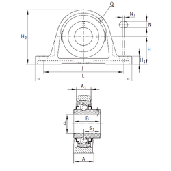
Технические данные из каталога производителя :

Внутренний диаметр (d) - 22,225 мм.

Размер (S1) - 19,812

Резьба (Q) - 1/8 NPT

Размер (A) - 37,008 мм.

Размер (A1) - 21,997 мм.

Размер (B) - 34,113 мм.

Размер (H) - 36,526 мм.

Размер (H1) - 15,494 мм.

Размер (H2) - 71,451 мм.

Размер (J) - 104,801 мм.

Размер (L) - 139,7

Размер (N) - 11,989 мм.

Размер (N1) - 9,5 мм.

Масса - 0,84 Кг

Количество дорожек качения - 1

Уплотнение - Есть

Цены указаны ознакомительные, для уточнения цены и наличия просим связаться с нами по телефону, или отправить заявку на почту - sales@specprompodshipnik.ru или по тел.: +7(499) 369-70-54

Возврат к списку