Подшипник RASEY45 (NKE)

Подшипник RASEY45 (NKE)

Технические характеристики

Обозначение : RASEY45

Производитель : NKE

Диаметр внутренний, мм : 45

Высота, мм : 48

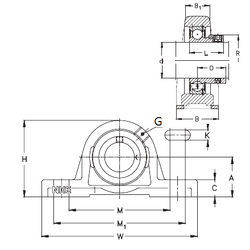
Технические данные из каталога производителя :

Внутренний диаметр (d) - 45 мм.

Размер (O) - 30,2

Размер (A) - 54 мм.

Размер (B) - 48 мм.

Размер (B1) - 32 мм.

Размер (C) - 21,5 мм.

Размер (H) - 107 мм.

Размер (K) - 14 мм.

Размер (L) - 49,2

Размер (M) - 135 мм.

Размер (M1) - 164,3 мм.

Размер (W) - 192

Резьба (G) - R1/8“

Масса - 2,1 Кг

Количество дорожек качения - 1

Уплотнение - Есть

Цены указаны ознакомительные, для уточнения цены и наличия просим связаться с нами по телефону, или отправить заявку на почту - sales@specprompodshipnik.ru или по тел.: +7(499) 369-70-54

Возврат к списку