Подшипник RASEY40-N (NKE)

Подшипник RASEY40-N (NKE)

Технические характеристики

Обозначение : RASEY40-N

Производитель : NKE

Диаметр внутренний, мм : 40

Высота, мм : 48

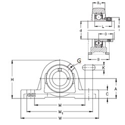
Технические данные из каталога производителя :

Внутренний диаметр (d) - 40 мм.

Размер (O) - 30,2

Размер (A) - 49,2 мм.

Размер (B) - 48 мм.

Размер (B1) - 30 мм.

Размер (C) - 19 мм.

Размер (H) - 99 мм.

Размер (K) - 14 мм.

Размер (L) - 49,2

Размер (M) - 126,5 мм.

Размер (M1) - 150 мм.

Размер (W) - 179

Резьба (G) - R1/8“

Масса - 1,74 Кг

Количество дорожек качения - 1

Уплотнение - Есть

Цены указаны ознакомительные, для уточнения цены и наличия просим связаться с нами по телефону, или отправить заявку на почту - sales@specprompodshipnik.ru или по тел.: +7(499) 369-70-54

Возврат к списку