Подшипник RASEY35-N (NKE)

Подшипник RASEY35-N (NKE)

Технические характеристики

Обозначение : RASEY35-N

Производитель : NKE

Диаметр внутренний, мм : 35

Высота, мм : 45

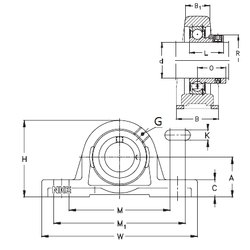
Технические данные из каталога производителя :

Внутренний диаметр (d) - 35 мм.

Размер (O) - 25,4

Размер (A) - 47,6 мм.

Размер (B) - 45 мм.

Размер (B1) - 27 мм.

Размер (C) - 19 мм.

Размер (H) - 93 мм.

Размер (K) - 14 мм.

Размер (L) - 42,9

Размер (M) - 119,5 мм.

Размер (M1) - 132,5 мм.

Размер (W) - 163

Резьба (G) - R1/8“

Масса - 1,54 Кг

Количество дорожек качения - 1

Уплотнение - Есть

Цены указаны ознакомительные, для уточнения цены и наличия просим связаться с нами по телефону, или отправить заявку на почту - sales@specprompodshipnik.ru или по тел.: +7(499) 369-70-54

Возврат к списку