Подшипник RASEY30-N (NKE)

Подшипник RASEY30-N (NKE)

Технические характеристики

Обозначение : RASEY30-N

Производитель : NKE

Диаметр внутренний, мм : 30

Высота, мм : 40

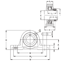
Технические данные из каталога производителя :

Внутренний диаметр (d) - 30 мм.

Размер (O) - 22,2

Размер (A) - 42,9 мм.

Размер (B) - 40 мм.

Размер (B1) - 25 мм.

Размер (C) - 17 мм.

Размер (H) - 82 мм.

Размер (K) - 14 мм.

Размер (L) - 38,1

Размер (M) - 109,5 мм.

Размер (M1) - 125,5 мм.

Размер (W) - 158

Резьба (G) - R1/8“

Масса - 1,06 Кг

Количество дорожек качения - 1

Уплотнение - Есть

Цены указаны ознакомительные, для уточнения цены и наличия просим связаться с нами по телефону, или отправить заявку на почту - sales@specprompodshipnik.ru или по тел.: +7(499) 369-70-54

Возврат к списку