Подшипник RASEY2-15/16 (INA)

Подшипник RASEY2-15/16 (INA)

Технические характеристики

Обозначение : RASEY2-15/16

Производитель : INA

Диаметр внутренний, мм : 74,613

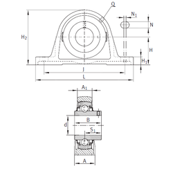
Технические данные из каталога производителя :

Внутренний диаметр (d) - 74,613 мм.

Размер (S1) - 44,501

Резьба (Q) - 1/8 NPT

Размер (A) - 70,003 мм.

Размер (A1) - 50,013 мм.

Размер (B) - 77,801 мм.

Размер (H) - 82,5 мм.

Размер (H1) - 29,007 мм.

Размер (H2) - 164 мм.

Размер (J) - 210,998 мм.

Размер (L) - 273

Размер (N) - 24,003 мм.

Размер (N1) - 7,011 мм.

Масса - 7,988 Кг

Количество дорожек качения - 1

Уплотнение - Есть

Цены указаны ознакомительные, для уточнения цены и наличия просим связаться с нами по телефону, или отправить заявку на почту - sales@specprompodshipnik.ru или по тел.: +7(499) 369-70-54

Возврат к списку