Подшипник RASEY16 (NKE)

Подшипник RASEY16 (NKE)

Технические характеристики

Обозначение : RASEY16

Производитель : NKE

Диаметр внутренний, мм : 16

Высота, мм : 30

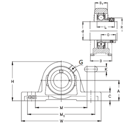
Технические данные из каталога производителя :

Внутренний диаметр (d) - 16 мм.

Размер (O) - 15,9

Размер (A) - 30,2 мм.

Размер (B) - 30 мм.

Размер (B1) - 18 мм.

Размер (C) - 10 мм.

Размер (H) - 57 мм.

Размер (K) - 11 мм.

Размер (L) - 27,4

Размер (M) - 87 мм.

Размер (M1) - 103 мм.

Размер (W) - 125

Резьба (G) - M6

Масса - 0,45 Кг

Количество дорожек качения - 1

Уплотнение - Есть

Цены указаны ознакомительные, для уточнения цены и наличия просим связаться с нами по телефону, или отправить заявку на почту - sales@specprompodshipnik.ru или по тел.: +7(499) 369-70-54

Возврат к списку