Подшипник RASEY1-3/4 (INA)

Подшипник RASEY1-3/4 (INA)

Технические характеристики

Обозначение : RASEY1-3/4

Производитель : INA

Диаметр внутренний, мм : 44,45

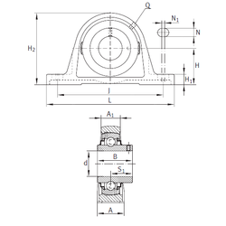
Технические данные из каталога производителя :

Внутренний диаметр (d) - 44,45 мм.

Размер (S1) - 30,201

Резьба (Q) - 1/8 NPT

Размер (A) - 51,791 мм.

Размер (A1) - 35,002 мм.

Размер (B) - 49,2 мм.

Размер (H) - 54,001 мм.

Размер (H1) - 21,997 мм.

Размер (H2) - 107,011 мм.

Размер (J) - 148,489 мм.

Размер (L) - 195

Размер (N) - 14,301 мм.

Размер (N1) - 11,989 мм.

Масса - 2,359 Кг

Количество дорожек качения - 1

Уплотнение - Есть

Цены указаны ознакомительные, для уточнения цены и наличия просим связаться с нами по телефону, или отправить заявку на почту - sales@specprompodshipnik.ru или по тел.: +7(499) 369-70-54

Возврат к списку