Подшипник RASEY1-15/16 (INA)

Подшипник RASEY1-15/16 (INA)

Технические характеристики

Обозначение : RASEY1-15/16

Производитель : INA

Диаметр внутренний, мм : 49,213

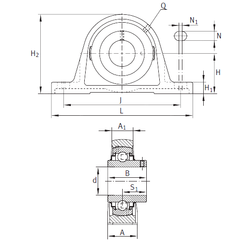
Технические данные из каталога производителя :

Внутренний диаметр (d) - 49,213 мм.

Размер (S1) - 32,589

Резьба (Q) - 1/8 NPT

Размер (A) - 56,998 мм.

Размер (A1) - 35,002 мм.

Размер (B) - 51,588 мм.

Размер (H) - 57,201 мм.

Размер (H1) - 21,997 мм.

Размер (H2) - 117 мм.

Размер (J) - 157,506 мм.

Размер (L) - 202,5

Размер (N) - 18,009 мм.

Размер (N1) - 5,995 мм.

Масса - 3,008 Кг

Количество дорожек качения - 1

Уплотнение - Есть

Цены указаны ознакомительные, для уточнения цены и наличия просим связаться с нами по телефону, или отправить заявку на почту - sales@specprompodshipnik.ru или по тел.: +7(499) 369-70-54

Возврат к списку