Подшипник RASEY1-1/2 (INA)

Подшипник RASEY1-1/2 (INA)

Технические характеристики

Обозначение : RASEY1-1/2

Производитель : INA

Диаметр внутренний, мм : 38,1

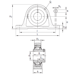
Технические данные из каталога производителя :

Внутренний диаметр (d) - 38,1 мм.

Размер (S1) - 30,201

Резьба (Q) - 1/8 NPT

Размер (A) - 50,013 мм.

Размер (A1) - 32,995 мм.

Размер (B) - 49,2 мм.

Размер (H) - 49,2 мм.

Размер (H1) - 19,99 мм.

Размер (H2) - 100 мм.

Размер (J) - 135,992 мм.

Размер (L) - 181,509

Размер (N) - 15,012 мм.

Размер (N1) - 10,999 мм.

Масса - 2,037 Кг

Количество дорожек качения - 1

Уплотнение - Есть

Цены указаны ознакомительные, для уточнения цены и наличия просим связаться с нами по телефону, или отправить заявку на почту - sales@specprompodshipnik.ru или по тел.: +7(499) 369-70-54

Возврат к списку