Подшипник RASE90 (INA)

Подшипник RASE90 (INA)

Технические характеристики

Обозначение : RASE90

Производитель : INA

Диаметр внутренний, мм : 90

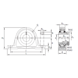
Технические данные из каталога производителя :

Внутренний диаметр (d) - 90 мм.

Размер (S1) - 46,6

Резьба (Q) - Rp1/8

Размер (d3) - 118 мм.

Размер (A) - 85 мм.

Размер (A1) - 55 мм.

Размер (B1) - 69,6 мм.

Размер (H) - 101,6 мм.

Размер (H1) - 35 мм.

Размер (H2) - 200 мм.

Размер (J) - 268 мм.

Размер (L) - 330

Размер (N) - 27 мм.

Размер (N1) - 35 мм.

Масса - 12,12 Кг

Грузоподъемность динамическая (C) - 96 кН

Грузоподъемность статическая (C0) - 72 кН

Количество дорожек качения - 1

Уплотнение - Есть

Цены указаны ознакомительные, для уточнения цены и наличия просим связаться с нами по телефону, или отправить заявку на почту - sales@specprompodshipnik.ru или по тел.: +7(499) 369-70-54

Возврат к списку