Подшипник RASE65 (NKE)

Подшипник RASE65 (NKE)

Технические характеристики

Обозначение : RASE65

Производитель : NKE

Диаметр внутренний, мм : 65

Высота, мм : 65

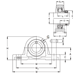
Технические данные из каталога производителя :

Внутренний диаметр (d) - 65 мм.

Размер (O) - 44,6

Размер (A) - 79,4 мм.

Размер (B) - 65 мм.

Размер (B1) - 44 мм.

Размер (C) - 27,5 мм.

Размер (H) - 156 мм.

Размер (K) - 22 мм.

Размер (L) - 66,1

Размер (M) - 196,5 мм.

Размер (M1) - 208,5 мм.

Размер (R) - 96 мм.

Размер (W) - 260

Резьба (G) - R1/8“

Масса - 6,41 Кг

Количество дорожек качения - 1

Уплотнение - Есть

Цены указаны ознакомительные, для уточнения цены и наличия просим связаться с нами по телефону, или отправить заявку на почту - sales@specprompodshipnik.ru или по тел.: +7(499) 369-70-54

Возврат к списку