Подшипник RASE60-N (INA)

Подшипник RASE60-N (INA)

Технические характеристики

Обозначение : RASE60-N

Производитель : INA

Диаметр внутренний, мм : 60

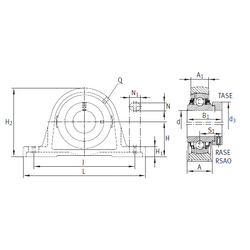
Технические данные из каталога производителя :

Внутренний диаметр (d) - 60 мм.

Размер (S1) - 46,8

Резьба (Q) - Rp1/8

Размер (d3) - 84 мм.

Размер (A) - 60 мм.

Размер (A1) - 42 мм.

Размер (B1) - 77,9 мм.

Размер (H) - 69,9 мм.

Размер (H1) - 25 мм.

Размер (H2) - 140 мм.

Размер (J) - 190 мм.

Размер (L) - 240

Размер (N) - 18 мм.

Размер (N1) - 28 мм.

Масса - 4,79 Кг

Грузоподъемность динамическая (C) - 52 кН

Грузоподъемность статическая (C0) - 36 кН

Количество дорожек качения - 1

Уплотнение - Есть

Цены указаны ознакомительные, для уточнения цены и наличия просим связаться с нами по телефону, или отправить заявку на почту - sales@specprompodshipnik.ru или по тел.: +7(499) 369-70-54

Возврат к списку