Подшипник RASE55 (NKE)

Подшипник RASE55 (NKE)

Технические характеристики

Обозначение : RASE55

Производитель : NKE

Диаметр внутренний, мм : 55

Высота, мм : 60

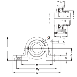
Технические данные из каталога производителя :

Внутренний диаметр (d) - 55 мм.

Размер (O) - 43,6

Размер (A) - 63,5 мм.

Размер (B) - 60 мм.

Размер (B1) - 35 мм.

Размер (C) - 22,5 мм.

Размер (H) - 124,5 мм.

Размер (K) - 18 мм.

Размер (L) - 71,4

Размер (M) - 164,5 мм.

Размер (M1) - 187,5 мм.

Размер (R) - 76 мм.

Размер (W) - 222

Резьба (G) - R1/8“

Масса - 3,4 Кг

Количество дорожек качения - 1

Уплотнение - Есть

Цены указаны ознакомительные, для уточнения цены и наличия просим связаться с нами по телефону, или отправить заявку на почту - sales@specprompodshipnik.ru или по тел.: +7(499) 369-70-54

Возврат к списку