Подшипник RASE50-FA164 (INA)

Подшипник RASE50-FA164 (INA)

Технические характеристики

Обозначение : RASE50-FA164

Производитель : INA

Диаметр внутренний, мм : 50

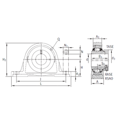
Технические данные из каталога производителя :

Внутренний диаметр (d) - 50 мм.

Размер (S1) - 38,2

Резьба (Q) - Rp1/8

Размер (d3) - 69 мм.

Размер (A) - 54 мм.

Размер (A1) - 34 мм.

Размер (B1) - 62,8 мм.

Размер (H) - 57,2 мм.

Размер (H1) - 21,5 мм.

Размер (H2) - 115 мм.

Размер (J) - 158 мм.

Размер (L) - 200

Размер (N) - 18 мм.

Размер (N1) - 23 мм.

Масса - 2,82 Кг

Грузоподъемность динамическая (C) - 35 кН

Грузоподъемность статическая (C0) - 23,2 кН

Количество дорожек качения - 1

Уплотнение - Есть

Цены указаны ознакомительные, для уточнения цены и наличия просим связаться с нами по телефону, или отправить заявку на почту - sales@specprompodshipnik.ru или по тел.: +7(499) 369-70-54

Возврат к списку