Подшипник RASE45-FA125 (INA)

Подшипник RASE45-FA125 (INA)

Технические характеристики

Обозначение : RASE45-FA125

Производитель : INA

Диаметр внутренний, мм : 45

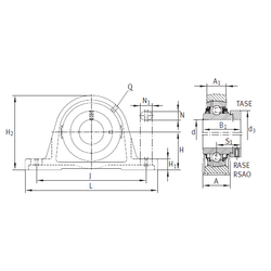
Технические данные из каталога производителя :

Внутренний диаметр (d) - 45 мм.

Размер (S1) - 35,1

Резьба (Q) - Rp1/8

Размер (d3) - 63 мм.

Размер (A) - 48 мм.

Размер (A1) - 32 мм.

Размер (B1) - 56,5 мм.

Размер (H) - 54 мм.

Размер (H1) - 21,5 мм.

Размер (H2) - 107 мм.

Размер (J) - 150 мм.

Размер (L) - 192

Размер (N) - 14 мм.

Размер (N1) - 29 мм.

Масса - 2,21 Кг

Грузоподъемность динамическая (C) - 32,5 кН

Грузоподъемность статическая (C0) - 20,4 кН

Количество дорожек качения - 1

Уплотнение - Есть

Цены указаны ознакомительные, для уточнения цены и наличия просим связаться с нами по телефону, или отправить заявку на почту - sales@specprompodshipnik.ru или по тел.: +7(499) 369-70-54

Возврат к списку