Подшипник RASE20-N (INA)

Подшипник RASE20-N (INA)

Технические характеристики

Обозначение : RASE20-N

Производитель : INA

Диаметр внутренний, мм : 20

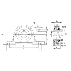
Технические данные из каталога производителя :

Внутренний диаметр (d) - 20 мм.

Размер (S1) - 26,6

Резьба (Q) - Rp1/8

Размер (d3) - 33 мм.

Размер (A) - 32 мм.

Размер (A1) - 19 мм.

Размер (B1) - 43,7 мм.

Размер (H) - 33,3 мм.

Размер (H1) - 14,5 мм.

Размер (H2) - 64 мм.

Размер (J) - 97 мм.

Размер (L) - 130

Размер (N) - 11 мм.

Размер (N1) - 19 мм.

Масса - 0,63 Кг

Грузоподъемность динамическая (C) - 12,8 кН

Грузоподъемность статическая (C0) - 6,6 кН

Количество дорожек качения - 1

Уплотнение - Есть

Цены указаны ознакомительные, для уточнения цены и наличия просим связаться с нами по телефону, или отправить заявку на почту - sales@specprompodshipnik.ru или по тел.: +7(499) 369-70-54

Возврат к списку