Подшипник RASE2 (INA)

Технические характеристики

Обозначение : RASE2

Производитель : INA

Диаметр внутренний, мм : 50,8

Технические данные из каталога производителя :

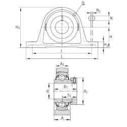
Внутренний диаметр (d) - 50,8 мм.

Размер (S1) - 43,612

Резьба (Q) - 1/8 NPT

Размер (d3) - 69,012 мм.

Размер (A) - 62,51 мм.

Размер (A1) - 35,002 мм.

Размер (B) - 71,4 мм.

Размер (H) - 63,5 мм.

Размер (H1) - 24,994 мм.

Размер (H2) - 126,492 мм.

Размер (J) - 175,743 мм.

Размер (L) - 225

Размер (N) - 18,009 мм.

Размер (N1) - 11,253 мм.

Масса - 4,065 Кг

Количество дорожек качения - 1

Уплотнение - Есть

Цены указаны ознакомительные, для уточнения цены и наличия просим связаться с нами по телефону, или отправить заявку на почту - sales@specprompodshipnik.ru или по тел.: +7(499) 369-70-54

Возврат к списку