Подшипник RASE120 (INA)

Подшипник RASE120 (INA)

Технические характеристики

Обозначение : RASE120

Производитель : INA

Диаметр внутренний, мм : 120

Технические данные из каталога производителя :

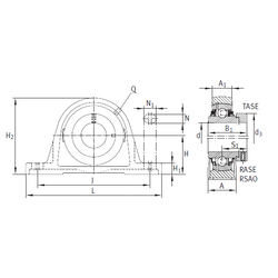
Внутренний диаметр (d) - 120 мм.

Размер (S1) - 52,5

Резьба (Q) - Rp1/8

Размер (d3) - 152 мм.

Размер (A) - 105 мм.

Размер (A1) - 70 мм.

Размер (B1) - 81 мм.

Размер (H) - 135 мм.

Размер (H1) - 45 мм.

Размер (H2) - 265 мм.

Размер (J) - 358 мм.

Размер (L) - 440

Размер (N) - 33 мм.

Размер (N1) - 41 мм.

Масса - 26,52 Кг

Грузоподъемность динамическая (C) - 155 кН

Грузоподъемность статическая (C0) - 131 кН

Количество дорожек качения - 1

Уплотнение - Есть

Цены указаны ознакомительные, для уточнения цены и наличия просим связаться с нами по телефону, или отправить заявку на почту - sales@specprompodshipnik.ru или по тел.: +7(499) 369-70-54

Возврат к списку