Подшипник RASE100 (NKE)

Подшипник RASE100 (NKE)

Технические характеристики

Обозначение : RASE100

Производитель : NKE

Диаметр внутренний, мм : 100

Высота, мм : 95

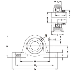
Технические данные из каталога производителя :

Внутренний диаметр (d) - 100 мм.

Размер (O) - 49,5

Размер (A) - 115 мм.

Размер (B) - 95 мм.

Размер (B1) - 62 мм.

Размер (C) - 40 мм.

Размер (H) - 225 мм.

Размер (K) - 30 мм.

Размер (L) - 75

Размер (M) - 300 мм.

Размер (M1) - 316 мм.

Размер (R) - 132 мм.

Размер (W) - 380

Резьба (G) - R1/8“

Масса - 15,9 Кг

Количество дорожек качения - 1

Уплотнение - Есть

Цены указаны ознакомительные, для уточнения цены и наличия просим связаться с нами по телефону, или отправить заявку на почту - sales@specprompodshipnik.ru или по тел.: +7(499) 369-70-54

Возврат к списку