Подшипник RASE100 (INA)

Подшипник RASE100 (INA)

Технические характеристики

Обозначение : RASE100

Производитель : INA

Диаметр внутренний, мм : 100

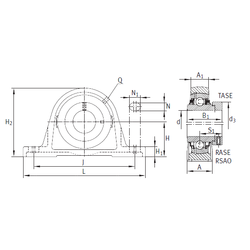
Технические данные из каталога производителя :

Внутренний диаметр (d) - 100 мм.

Размер (S1) - 49,5

Резьба (Q) - Rp1/8

Размер (d3) - 132 мм.

Размер (A) - 95 мм.

Размер (A1) - 62 мм.

Размер (B1) - 75 мм.

Размер (H) - 115 мм.

Размер (H1) - 40 мм.

Размер (H2) - 225 мм.

Размер (J) - 308 мм.

Размер (L) - 380

Размер (N) - 30 мм.

Размер (N1) - 38 мм.

Масса - 15,85 Кг

Грузоподъемность динамическая (C) - 122 кН

Грузоподъемность статическая (C0) - 93 кН

Количество дорожек качения - 1

Уплотнение - Есть

Цены указаны ознакомительные, для уточнения цены и наличия просим связаться с нами по телефону, или отправить заявку на почту - sales@specprompodshipnik.ru или по тел.: +7(499) 369-70-54

Возврат к списку