Подшипник RASE1/2 (INA)

Подшипник RASE1/2 (INA)

Технические характеристики

Обозначение : RASE1/2

Производитель : INA

Диаметр внутренний, мм : 12,7

Технические данные из каталога производителя :

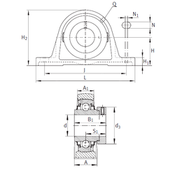
Внутренний диаметр (d) - 12,7 мм.

Размер (S1) - 23,495

Резьба (Q) - 1/4-28 UNF

Размер (d3) - 27,991 мм.

Размер (A) - 32,004 мм.

Размер (A1) - 19 мм.

Размер (B) - 37,389 мм.

Размер (H) - 30,201 мм.

Размер (H1) - 13,996 мм.

Размер (H2) - 58 мм.

Размер (J) - 91,999 мм.

Размер (L) - 125

Размер (N) - 10,999 мм.

Размер (N1) - 10,999 мм.

Масса - 0,54 Кг

Количество дорожек качения - 1

Уплотнение - Есть

Цены указаны ознакомительные, для уточнения цены и наличия просим связаться с нами по телефону, или отправить заявку на почту - sales@specprompodshipnik.ru или по тел.: +7(499) 369-70-54

Возврат к списку